
主要性能参数: 单头最大流量 : 1800L/H,最高排出压力 : 12bar 调节比 10:1, 稳态精度±2% ,吸入提升高度可达 3米水柱 最大入口压力为 2bar,允许物料的最高温度为 40℃
主要特征: 液力端:机械驱动隔膜, 物料侧无隔膜护盘, 便于物料通过 PVC、 PVDF、 316SS 、 高粘度、 浆料等多种泵头材质, 适合各种物料自清洗单向阀结构
驱动端: 可变偏心机构调节, 确保流量脉动平缓变化增强型结构设计, 适合苛刻运行环境 耐磨球轴承, 使工作更稳定油浴润滑, 驱动部件工作寿命长 在停机或运行状态下均可流量调节, 调节方式可选手动、 电动或变频
控制方式: 电动冲程控制器:接受外部控制信号, 调节冲程长度 供电电源 : 220V-50Hz-单相 输入信号 : 4-20mA模拟信号 输出信号 : 4-20mA/1-5V模拟信号、 供记录显示和控制系统使用
变频控制器: 接受外部控制信号, 调节冲程速度 供电电源 : 220V-50Hz-单相 /380V-50Hz-三相 输入信号 : 4-20mA模拟信号
马达控制器, 以 “开 /停 "方式控制三相电机, 调节输出流量 供电电源 : 200-240V/50/60Hz/单相 控制方式 : 可接受 4-20mA模拟信号、 外部脉冲信号或手动调节
主要应用:市政、 工业水与废水、 泳池等各种水处理过程
附件: 提供系统所需附件如 : 过滤器、 校正柱、 缓冲器、 安全阀和背压阀等, 其中安全阀为必选项。(GM0002~GM0050范围 PVC/PVDF泵头的泵, 随计量泵提供注射阀、 脚阀、 配重和 6米软管, 高粘度泵头除外)
标准配置电机性能参数: 供电电源 : 380V-50Hz-三相 /220V-50Hz-单相 防护等级 : IP55 绝缘等级 : F级
米顿罗GM系列机械隔膜泵型号表: | 型号 | 流量 (L/H) | 压力 (Bar) | 电机功率 | 泵头材质 | | GM0002 | 2.25 | 12 | 0.25KW | PVC/PVDF/316不锈钢等 | | GM0005 | 4.5 | 12 | | GM0010 | 9 | 12 | | GM0025 | 22 | 12 | | GM0050 | 44 | 10 | | GM0090 | 85 | 7 | | GM0120 | 120 | 7 | | GM0170 | 170 | 7 | | GM0240 | 240 | 7 | | GM0330 | 315 | 5 | 0.25KW 或 0.37KW | | GM0400 | 400 | 5 | | GM0500 | 500 | 5
|
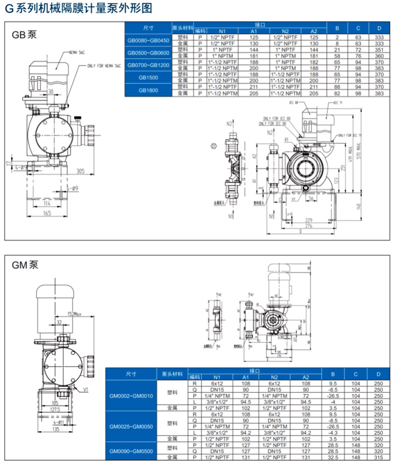
米顿罗GB系列机械隔膜泵型号表: | 型号 | 流量 (L/H) | 压力 (Bar) | 电机功率 | 泵头材质 | | GB0080 | 82 | 10 | 0.55KW 或 0.75KW | PVC/PVDF/316不锈钢等 | GB0180 | 167 | 10 | GB0250 | 237 | 10 | GB0350 | 334 | 10 | GB0450 | 416 | 10 | GB0500 | 464 | 7 | GB0600 | 583 | 7 | GB0700 | 656 | 3.5 | GB1000 | 946 | 3.5 | GB1200 | 1200 | 3.5 | 0.75KW | | GB1500 | 1500 | 3 | GB1800 | 1800 | 3
|
PVC PVDF 316SS不锈钢 GM0002PR1MNN GM0002TP1MNN GM0002SP1MNN GM0005PR1MNN GM0005TP1MNN GM0005SP1MNN GM0010PR1MNN GM0010TP1MNN GM0010SP1MNN GM0025PR1MNN GM0025TP1MNN GM0025SP1MNN GM0050PR1MNN GM0050TP1MNN GM0050SP1MNN GM0090PQ1MNN GM0090TP1MNN GM0090SP1MNN GM0120PQ1MNN GM0120TP1MNN GM0120SP1MNN GM0170PQ1MNN GM0170TP1MNN GM0170SP1MNN GM0240PQ1MNN GM0240TP1MNN GM0240SP1MNN GM0330PQ1MNN GM0330TP1MNN GM0330SP1MNN GM0400PQ1MNN GM0400TP1MNN GM0400SP1MNN GM0500PQ1MNN GM0500TP1MNN GM0500SP1MNN GB0080PP1MNN GB0080TP1MNN GB0080SP1MNN GB0180PP1MNN GB0180TP1MNN GB0180SP1MNN GB0250PP1MNN GB0250TP1MNN GB0250SP1MNN GB0350PP1MNN GB0350TP1MNN GB0350SP1MNN GB0450PP1MNN GB0450TP1MNN GB0450SP1MNN GB0500PP1MNN GB0500TP1MNN GB0500SP1MNN GB0600PP1MNN GB0600TP1MNN GB0600SP1MNN GB0700PP1MNN GB0700TP1MNN GB0700SP1MNN GB1000PP1MNN GB1000TP1MNN GB1000SP1MNN GB1200PP4MNN GB1200TP4MNN GB1200SP4MNN GB1500PP4MNN GB1500TP4MNN GB1500SP4MNN GB1800PP4MNN GB1800TP4MNN GB1800SP4MNN 


米顿罗公司简介: 米顿罗(milton-roy)是世界上大的计量泵制造商。我们拥有全面的计量泵产品线,并因此在行业中创立了关于产品性能、精确度和持久度的标准。 1936年,米顿罗公司集中了技术、工程和生产等资源致力于开发和生产能精确控制输送诸如水、高粘度浆料、腐蚀性化学品、剧毒物质和其他难以输送的介质等流体的设备。 今天,超过500,000台的米顿罗泵正服务于世界各个角落,用于高精确度混合、配制和输送液体。米顿罗多样化的产品线包括标准系列、特殊设计泵、新化工工艺技术产品、以及加药系统及附件等。计量泵有单隔膜和双隔膜设计,有多种液力端可以选择。增强的驱动装置,小的维护要求。电子和气动的传动装置保证精确的自动容量调节。远程冲程调节也能通过可编程的控制器实现。冲程调节器保证在恒定速度下的任何设定点,流量的稳态精度控制在±1%之内。 米顿罗制造安全阀,背压阀和流量校正柱,脉冲阻尼器,游动电流检测仪,槽和化学加药系统。米顿罗正在推行按市场要求的生产策略,以便更好地响应客户,服务客户。我们已经在整个mRoy生产线都执行了这个计划,Milroyal,maxRoy,G和Centrac生产线也正在推行这个计划。因此,订单履行时间已经大大缩短。90%的发货在一周内完成。安装的三维模型软件显著地压缩了设计时间。我们从设计到浇铸只需要四周,增强了我们对新产品的市场反应速度。 我们建立了一个专门的备件市场团队为客户提供更好的服务。米顿罗有世界大的泵安装基地。为了给市场上数目庞大的米顿罗泵提供支持,1998年备件市场团队设立了自己的生产车间。备件市场团队已经被授权为运行了25年的泵制造备件,并在一周内发货。
|